Knowledge Base
Visit Trenton Systems
Need Tech Support?
Product Downloads
Downloads
Drivers and Utilities
Product Downloads
Technical Information
Customer Care Manuals
Notices and Forms
PIN Updates
EOL Notices
PO Request Form
Back to home
Knowledge Base
Downloads
Product Downloads
Downloads
Drivers and Utilities
Product Downloads
Technical Information
Customer Care Manuals
Notices and Forms
PIN Updates
EOL Notices
PO Request Form
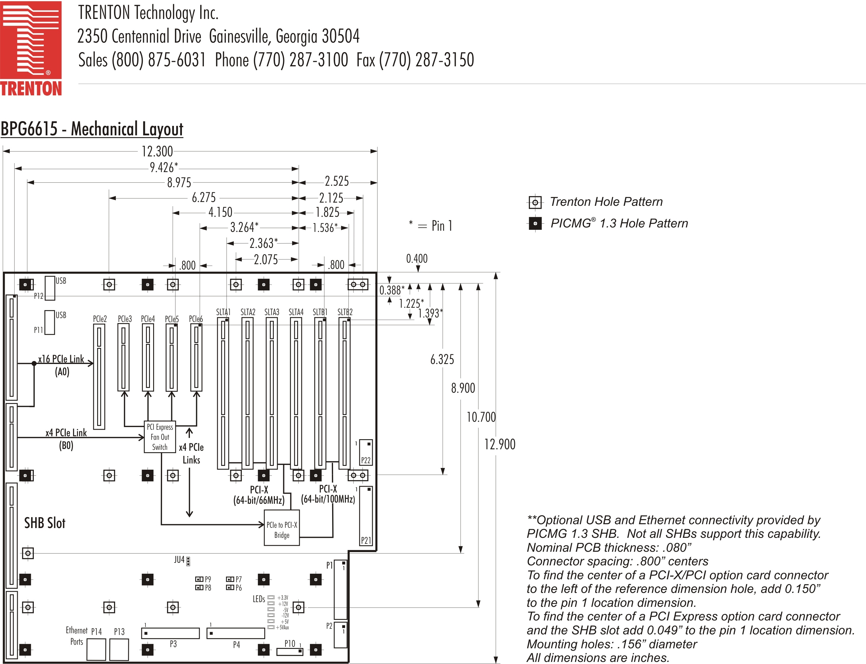
BPG6615 Backplane
Downloads for BPG6615 Backplane
Datasheet
Manual
Layout Drawing
Block Diagram
Jumpers and Connectors