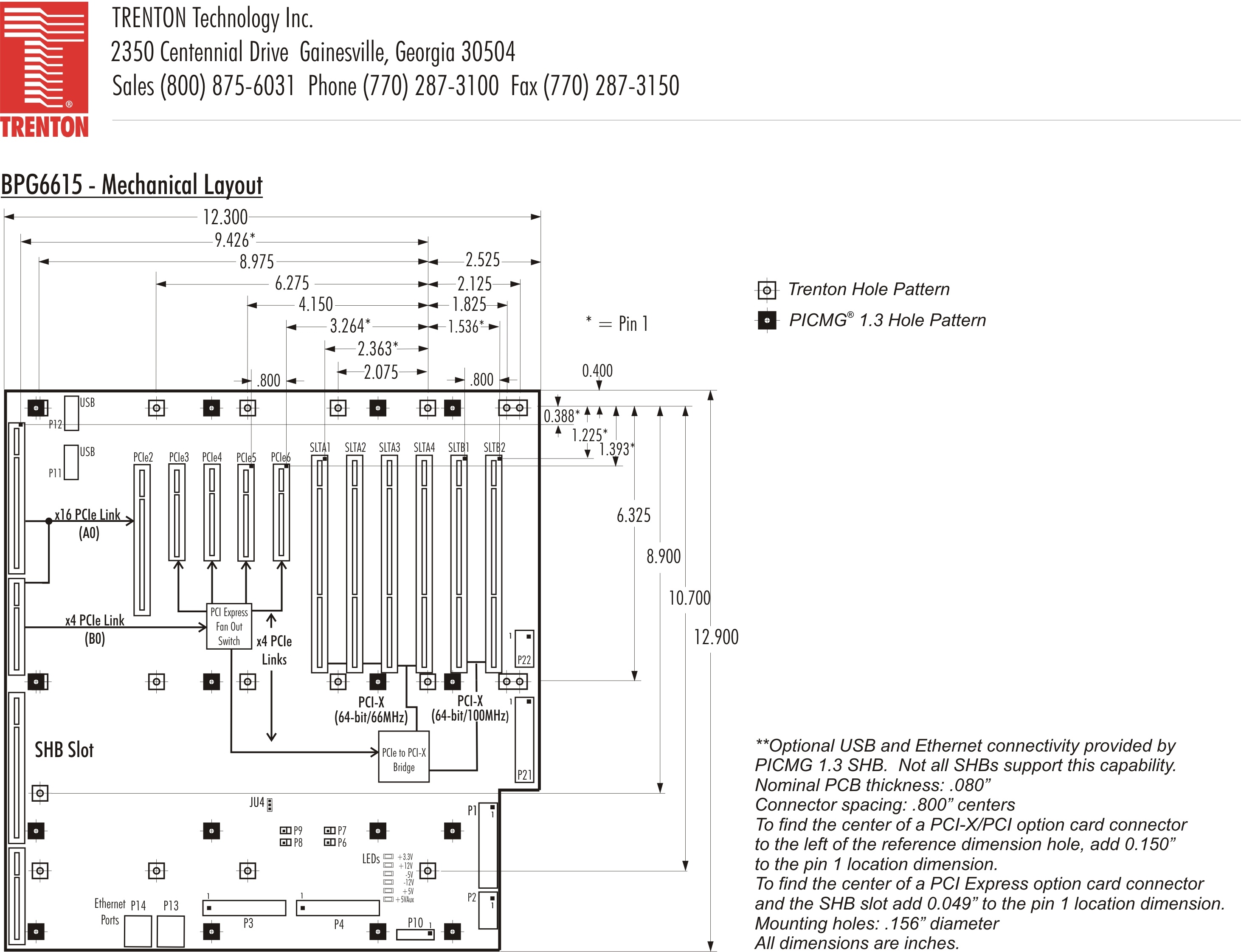
BPG6615 Backplane Downloads for BPG6615 Backplane Datasheet Manual Layout Drawing Block Diagram Jumpers and Connectors