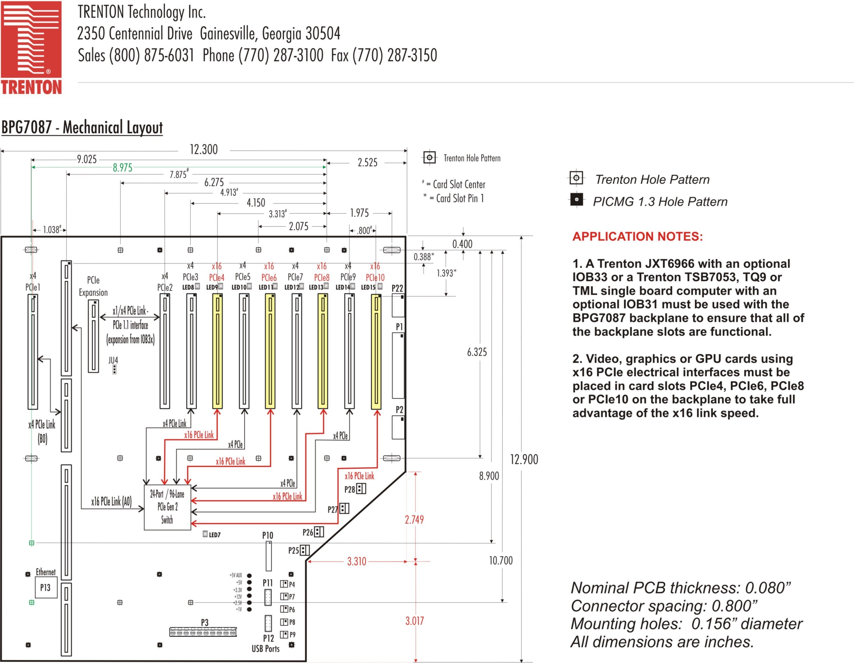
BPG7087 Backplane Downloads for BPG7087 Backplane Datasheet Layout Drawing Block Diagram Jumpers, Connectors and PCIe Link Status LEDs